发布时间: 2019-04-22 12:49浏览量:

温度:-30℃~+100℃
压力:≦0.6Mpa
线速度:≦10m/s
动环(热压石墨/车制石墨/碳化硅/碳化钨)
静环(陶瓷/碳化硅/碳化钨)
辅助密封(丁腈胶/三元乙丙胶/氟胶)
弹簧及冲压件(不锈钢)
Type 816型密封件可替代:301型、Y型
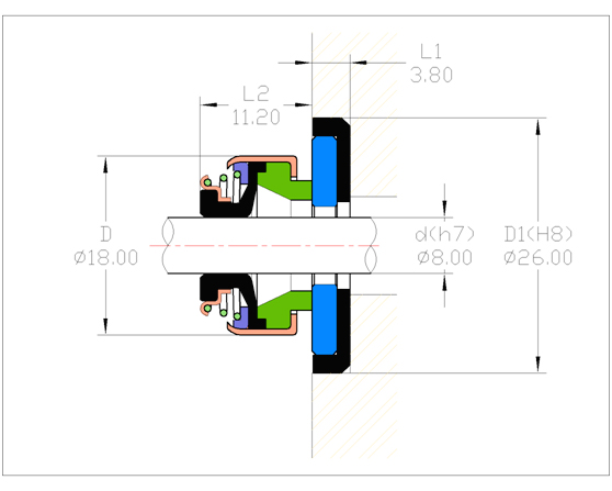
| Model | d | D | D1 | L1 | L2 |
|---|---|---|---|---|---|
| 816-6 | 6 | 18 | 22 | 4 | 12.7 |
| 816-8 | 8 | 18 | 22 | 4 | 12.7 |
| 816-8A | 8 | 18 | 22 | 4 | 15.2 |
| 816-8B | 8 | 24 | 26 | 5.5 | 16.7 |
| 816-8C | 8 | 24 | 26 | 8 | 19.2 |
| 816-9 | 9 | 24 | 26 | 5.5 | 16.7 |
| 816-9A | 9 | 24 | 26 | 8 | 19.2 |
| 816-10 | 10 | 24 | 26 | 5.5 | 16.7 |
| 816-10A | 10 | 24 | 26 | 8 | 19.2 |
| 816-11 | 11 | 24 | 26 | 5.5 | 16.7 |
| 816-11A | 11 | 24 | 26 | 8 | 19.2 |
| 816-12 | 12 | 24 | 26 | 5.5 | 18.7 |
| 816-12A | 12 | 24 | 26 | 8 | 21.2 |
| 816-12B | 12 | 32 | 29.5 | 8 | 21.2 |
| 816-12C | 12 | 32 | 38 | 8 | 21.2 |
| 816-13 | 13 | 24 | 26 | 5.5 | 18.7 |
| 816-13A | 13 | 24 | 26 | 8 | 21.2 |
| 816-14 | 14 | 32 | 29.5 | 8 | 21.2 |
| 816-14A | 14 | 32 | 38 | 8 | 21.2 |
| 816-14B | 14 | 35 | 29.5 | 8 | 21.2 |
| 816-14C | 14 | 35 | 38 | 8 | 21.2 |
| 816-15 | 15 | 32 | 29.5 | 8 | 21.2 |
| 816-15A | 15 | 32 | 38 | 8 | 21.2 |
| 816-15B | 15 | 35 | 29.5 | 8 | 21.2 |
| 816-15C | 15 | 35 | 38 | 8 | 21.2 |
| 816-16 | 16 | 32 | 29.5 | 8 | 21.2 |
| 816-16A | 16 | 32 | 38 | 8 | 21.2 |
| 816-16B | 16 | 35 | 29.5 | 8 | 21.2 |
| 816-16C | 16 | 35 | 38 | 8 | 21.2 |
| 816-16D | 16 | 39 | 42 | 8 | 21.2 |
| 816-17 | 17 | 39 | 42 | 8 | 21.2 |
| 816-18 | 18 | 39 | 42 | 8 | 21.2 |
| 816-19 | 19 | 39 | 42 | 8 | 21.2 |
| 816-20 | 20 | 39 | 42 | 8 | 21.2 |
| 816-20A | 20 | 42 | 45 | 10 | 23.2 |
| 816-22 | 22 | 42 | 45 | 10 | 23.2 |
| 816-24 | 24 | 47 | 50 | 10 | 24.2 |
| 816-25 | 25 | 47 | 50 | 10 | 24.2 |
| 816-28 | 28 | 54 | 57 | 10 | 25.2 |
| 816-30 | 30 | 54 | 57 | 10 | 25.2 |
| 816-32 | 32 | 54 | 57 | 10 | 25.2 |
| 816-35 | 35 | 60 | 63 | 10 | 26.2 |
| 816-38 | 38 | 65 | 68 | 12 | 30.2 |
| 816-40 | 40 | 65 | 68 | 12 | 30.2 |
| 816-45 | 45 | 70 | 73 | 12 | 32.2 |
| 816-50 | 50 | 85 | 88 | 15 | 38.2 |
| 816-55 | 55 | 85 | 88 | 15 | 38.2 |
| 816-60 | 60 | 105 | 110 | 15 | 45.2 |
| 816-65 | 65 | 105 | 110 | 15 | 45.2 |
| 816-70 | 70 | 105 | 110 | 15 | 47.2 |